↑Vælg sprog her ↑
DUKA One Pro 50 S Brugermanual
Ventilationsenhed med varmegenvinding

Indhold
Transport og opbevaring og Sikkerhed
• Enheden skal beskyttes mod stød, slag samt vejrligeforhold under transport.
• Opbevaring af enheden skal forekomme i den originale emballage i et tørt og ventileret rum med temperatur fra 5 °C til 40 °C.
• Opbevaringsrummet må ikke indeholde aggressive eller kemiske dampe eller gasser.
• Udsæt ikke den opbevarede enhed for tryk eller anden form for belastning.
Anvendelse
• Brug kun enheden til rumventilation. Tilslut ikke tørretumbler eller lignende udstyr til enheden.
• Enhedens formål er at skabe grundventilation i boligen.
• Enheden må kun slukkes i forbindelse med krav fra myndighederne eller af sikkerhedsmæssige årsager – for eksempel ved brand eller lignende.
• Enheden kan ikke benyttes som varmekilde.
• Enheden kan ikke benyttes som affugter.
• Hold eksplosivt og/eller let antændeligt støv/damp/væske væk fra enheden.
• Luften til ventilationsenheden må ikke indeholde fordampning af kemikalier, groft støv, sod, olie, klæbende substanser, fiberrigt materiale, patogene
eller andre skadelige stoffer.
• Bloker ikke enhedens kanal, når enheden er i drift.
• Lad ikke luftstrømme fra enheden have retning mod åbne flammer eller lignende.
Inden montering
• Læs og forstå brugermanualen inden montering og ibrugtagning af enheden.
• Gennemgå produktet for skader på ventilator, kerne, front cover, elektronikdel og udvendig skærm. Der må ikke forekomme fremmedlegemer
da dette kan beskadige enheden.
• Gem quickguiden, så du altid hurtigt og nemt kan tilgå den nyeste manual via QR koden.
• I tilfælde at enheden skifter ejer, videregiv da quickguiden.
Montage
• Enheden er til montering i facadevæg.
• Pak enheden forsigtigt ud.
• Ved montering og installation af enheden skal alle gældende bygnings-, elektriske-, og tekniske standarder følges.
• Følg alle elektriske sikkerhedsregler ved installation af enheden. Se mere hos sikkerhedsstyrelsen på www.sik.dk
• Bliver nogle af ledningerne til enheden beskadiget, skal de udskiftes efter gældende regler. Se mere hos sikkerhedsstyrelsen på www.sik.dk
• Enheden må ikke udsættes for tryk. Deformering af enheden kan resultere i blokering af motoren og overdreven støj.
Betjening
• Afbryd strømmen til enheden før montering, servicering, vedligehold og reparation. Filterskift undtaget, se afsnit omkring vedligehold.
• Brug ikke enheden udenfor den specifikke angivne temperaturskala.
• Betjen og servicer ikke enheden, styring eller fjernbetjening med våde hænder eller bare fødder, da det kan give elektrisk stød.
• Lad ikke børn betjene enheden. Børn skal holdes under opsyn så de ikke leger med enheden.
• Forkert brug af enheden eller uautoriseret modifikationer er ikke tilladt.
• Enheden bør ikke betjenes af personer med nedsatte fysiske, sensoriske eller mentale evner eller manglende erfaring og viden medmindre de er
under opsyn eller har modtaget instruktioner om brugen af enheden af en person, der er ansvarlig for deres sikkerhed.
Rengøring
• Vask ikke enheden i vand.
• Beskyt de elektriske dele mod vand.
Garantibestemmelser
DUKA Ventilation giver 24 måneders reklamationsret fra købsdatoen jf. købeloven. Herudover tilbyder DUKA Ventilation yderligere 12 måneders
garanti, såfremt at alle beskrevne krav vedrørende transport, opbevaring, anvendelse, montage, betjening, vedligehold og garantibestemmelser er
overholdt.
For at garantien kan opretholdes, skal det kunne dokumenteres, at filtrene er skiftet mindst en gang pr. år med DUKA Ventilations original filtre.
Gem derfor kvitteringerne for disse køb.
Bemærk: Afhængigt af miljøet kan det kan være nødvendigt at skifte filtrene oftere.
Enhedens formål er at skabe grundventilation i boligen.
Enheden må kun slukkes i forbindelse med krav fra myndighederne eller af sikkerhedsmæssige årsager, for eksempel ved brand eller lignende.
Er enheden installeret, hvor der er risiko for skimmelsvamp, skal enheden rengøres særlig grundigt, så støv og svampesporer fjernes. Det kan være
nødvendigt at anvende specielt rensemiddel. Undlades dette bortfalder garantien.
Garantien dækker IKKE:
• Det periodiske vedligeholdelse.
• Enhedens opsætning, indstilling og afmontering.
Garantien bortfalder hvis:
• Information vedrørende transport, opbevaring, anvendelse, montage, betjening, vedligehold og garantibestemmelser ikke er overholdt.
• Enheden bliver anvendt eller er placeret i vådrum eller omgivelser, som den ikke er designet til.
• Enheden har været slukket, uden krav om blokering af luft udefra af myndighederne.
• Der er skader som skyldes påvirkning fra skimmelsvamp.
• Der er påført synlige skader på enheden.
• Enheden er tilsluttet et andet type elnetværk end beskrevet i manualen.
• Der sker skader grundet variationer af spænding i elnettet.
• Der er benyttet uoriginale filtre i enheden.
• Der er tilføjet eller fjernet tekniske komponenter i enheden.
• Der er fortaget uautoriserede reparationer af enheden.
• Der er fejl på enheden som skyldes force majeure (lynnedslag, brand, oversvømmelse, jordskælv osv.).
• Der ikke kan fremvises kvittering på købet.
• Garantien er udløbet.
Ved reklamation bedes du udfylde vores online reklamationsformular på: www.dukaventilation.dk/reklamation
DUKA Ventilation kan ikke gøres ansvarlig for garantiforpligtelser, der er udført uden at være aftalt med DUKA Ventilation på forhånd.
For øvrige forhold henvises til Vink Plasts Generelle Salgs- og Leveringsbetingelser. Den seneste version kan altid findes på vores hjemmeside:
www.dukaventilation.dk
Teknisk Information
Enheden er designet til brug indendørs i temperaturer fra 1 °C til 40 °C og en relativ luftfugtighed på op til 80 %.
Til- og fraluften skal være mellem -15 til 40 °C.
Enheden skal køre kontinuerligt.
Elektrisk apparat klassificering: Klasse II
IP klassificering: IP 24
Enheden er under konstant udvikling, og derfor kan der forekomme små variationer i de tekniske data samt brugermanualen. Den seneste
dokumentation kan altid findes ved brug af QR koden på den medfølgende Quick Guide eller på www.dukaventilation.dk
Indhold i kassen
• Front cover og elektronikdel (samlet komponent)
• Lyddæmper
• 500 mm rør
• Montageskabelon
• Stormskærm og drypplade
• Kerne
• Monteringskit
• Fjernbetjening
Opbygning
DUKA One enheden består af front cover, elektronikdel, kerne hvor den keramisk veksler og motor er placeret, lyddæmper, filtre, drypplade,
stormskærm samt murgennemføring. På indvendig side sidder elektronikdelen med front cover. I væggen sidder murgennemføringen hvori kernen
og lyddæmperen er placeret. Filtrene sidder i hver ende af kernen, hvor de filtrerer den gennemstrømmende luft for støv og andre partikler. På
udvendig side sidder stormskærmen som beskytter enheden imod vind og regn.

1- Frontcover
Kan justeres i indblæsnings
retning efter personlig behov.
2 – Elektronikdel
Med panel til indstilling af
enhed
3 – Lydisolering
Reducerer støj fra motor og
udefra.
4 – Motor filter
Skal tilses og rengøres hver
kvartal og skiftes årligt
5 – Luftsplitter
Fordeler luften ligeligt i kernen
og giver højere
varmegenvindingsgrad
6 – Kerne filter
Skal tilses og rengøres hver
kvartal og skiftes årligt
7 – Lavenergi motor
Lydsvag motor med lavt
forbrug
8 – Keramisk kerne
Genvinder op til 90% af
varmen
9 – Indbygningsrør
Skal have et fald på 3 mm ud
af, så kondens kan rende ud
10 – Stormskærms cover
Kan købes i flere farver.
11 – Stormskærm
Kan købes i flere farver.
12 – Drypskærm
Reducerer drypmærker
fra kondensvand
Dimensioner
Indedel

Stormskærm

Minimumsvægtykkelse til montage af DUKA One Pro 50 S
Er vægtykkelsen under minimumskravet anbefales det at købe DUKA One Afstandsstykke.
Anbefalet afstand mellem motor og kerne er 60 mm da dette giver optimal varmegenvindingsgrad.
Placering af kernen i forhold til vægtykkelsen:
Hul diameter (til montering) 170-180 mm
Længde på keramisk kerne og motor 330 mm
Mindst mulig vægtykkelse 330 mm
- V = Væg
- L = Kanallængde
- T = Vægtykkelse
- I = Lydisolering
- M = Motor
- K = Kerne

Montage
1 – Bestem placering og bor hul gennem væggen.
Inden placering af enheden skal der tages forbehold for
minimumsafstande til sidevæg, loft og vinduer. Minimumsafstande
fremgår af tegningen.
Husk også at tage højde for strømforsyning til enheden
ved valg af placering.
Ved kælder montage anbefales det, at DUKA One enheden
placeres, så der er mindst 0,3 – 0,5 m fra underside
af stormskærm til terræn.

2 – Placer røret i hullet og tilpas længden til væggens tykkelse.
Det er vigtigt at røret installeres med det forskrevne fald på
3 mm, da det sikrer at eventuelt kondensvand løber
væk fra de elektriske komponenter i enheden og ud til
stormskærmen.
For nem installation anbefales det at benytte de medfølgende
polystyrenkiler.
Røret må maksimalt stikke 3 mm ud på indvendig side og
5 mm på udvendig side.

3 – Benyt den medfølgende skabelon for nem afmærkning af nødvendige borehuller til montage og indgang til skjult kabelføring.

4 – Demonter front coveret ved at trykke på knapperne på toppen og bunden.

5 – Monter elektronikdelen med de medfølgende skruer og demonter venstre dækplade.

6 – Tilslut kablerne i henhold til el diagrammet og før dem som vist nedenfor. Husk af aflaste kablerne med kabelklemmerne.
A = Ledningsindgang
B = Kabelklemmer

Bruges indgang #1 på toppen af enheden, skal den medfølgende skabalon som findes i midten af monteringsskabelon,
bruges til at markere indhakket. Bor indhakket ud så coveret nemt kan monteres og afmonteres på enheden.

7 – Efter tilslutning af enhedens strømforsyning, monter dækpladen.

8 – Placer kernen i røret
Placer kernen i røret og skub derefter motoren ind. Anbefalet afstand mellem kerne og motor er 60 mm for optimal varmegenvindingsgrad.
Se placering af delene under afsnittet: Dimensioner
Tilslut motoren til elektronikdelen med det grønne stik.

9 – Placer lyddæmperen i røret
Placer lyddæmperen i røret og rul den så den passer til rørdiameteren. Afkort lyddæmperen så den passer til murtykkelsen med kernen i røret mod
udvendig side. Lyddæmperen installeres løst, så den kan tages ud under vedligeholdelse af enheden.

10 – Monter front cover

11 – Fjern coveret på stormskærmen inden montage

12 – Monter stormskærm med plast drypplade
Den medfølgende plast drypplade skal klikkes fast på bagsiden af stormskærmen. Dryppladen sørger for at lede kondensvand væk fra
muren.

13 – Monter cover på stormskærmen

Hvis du ønsker stormskærmen til din DUKA ONE i en anden farve eller udformning, er der mulighed for at udskifte den med en af nedenstående farver og/eller modeller.
El tilslutning
ALLE ELTILSLUTNINGER SKAL UDFØRES AF EN AUTORISERET ELEKTRIKER.
TILSLUTNINGER SOM ER MODIFICERET ELLER ULOVLIGE MEDFØRER, AT GARANTIEN PÅ PRODUKTET
BORTFALDER.
BEMÆRK: DET ER IKKE LOVLIGT SOM PRIVATPERSON SELV AT STÅ FOR DEN FASTE INSTALLATION.
SE MERE HOS SIKKERHEDSSTYRELSEN PÅ WWW.SIK.DK
Enheden skal tilsluttes en enkeltfaset AC 100-230 v / 50-60 Hz strømforsyning.
Enheden skal tilsluttes til elnettet via terminalen på printkortet i henhold til nedenstående el diagram.
Det er muligt at tilslutte en ekstern NO-kontakt til enheden. Når kredsen lukkes vil enheden opstarte drift på trin III og når kredsen igen bliver brudt,
vil enheden returnere til den tidligere hastighedsindstilling.
Enheden er også kompatibel med analog sensor med udgangssignal på 0-10 V.
1 = Strømforsyning 100-240 V ~ 50/60 Hz
2 = NO-Klemmer for tilslutning af styring (ved spænding på NO2-klemmen aktiveres hastighed 3)
3 = Styresignal til næste enhed
4 = Styresignal fra forrige enhed

Sammenkobling af enheder
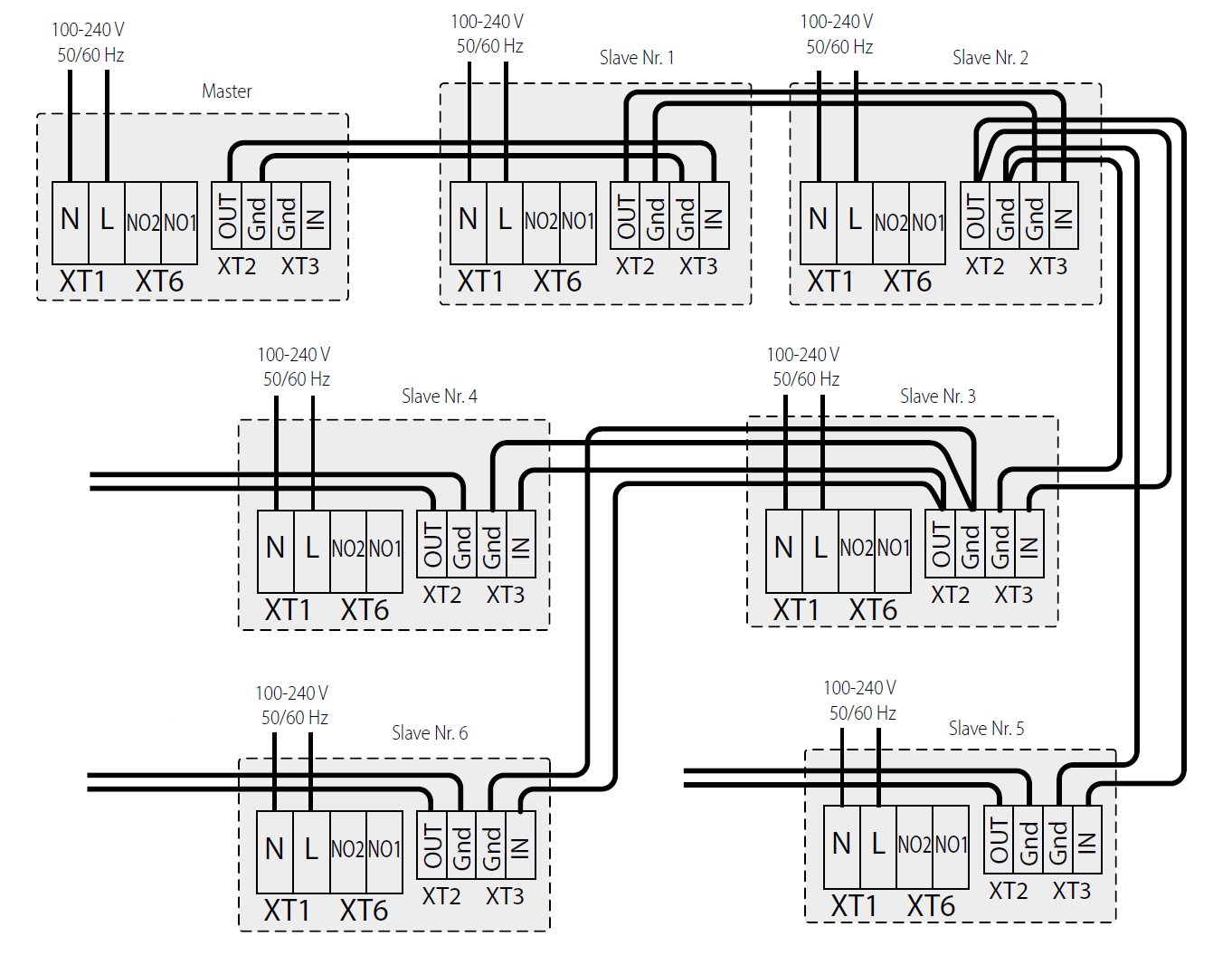
Ved sammenkobling af enheder i et master/slave forhold opnås synkron drift og balanceret ventilation i boligen.
Det anbefales at der benyttes 0,25 mm² kabel til sammenkoblingen og at kabelføringen ikke overgår 200 meter mellem enheder.
Det er ikke muligt at have flere master enheder i samme forbindelse. Enhederne skal forbindes i henhold til nedenstående el diagrammer.
For sammenkoblede enheder vil det kun være master enheden som kan styres via fjernbetjening eller på elektronikdelen. Slave enheder vil kun
reagere på det signal, de modtager fra masteren og ignorerer andre signaler.
El diagram for mulig sammenkobling af enheder
Ved sammenkobling af flere enheder i et master / slave forhold, skal masterens XT2 terminal tilsluttes slavens XT3 terminal.
Det samme gør sig gældende for efterfølgende enheder i serien. Det er kun muligt at have en master enhed ved sammenkobling af flere enheder.
Den er difineret ved at denne ikke har en tilslutning til terminal XT3.
El diagram for mulig sammenkobling af enheder

Indstillinger

Inden opstart af DUKA One enheden skal enhedens
driftsinstillinger tilpasses ens behov. Dette gøres via
DIP-switchene placeret under DIP-switch coveret.
DIP 1 – Indstilling af standby
ON – Enheden kan ikke slukkes og vil drifte på trin I i standby tilstand.
OFF – Enheden kan slukkes og sættes i standby tilstand.Anvendes hvis det ikke ønskes at enheden skal kunne sættes i standby tilstand. Det vil kun være muligt at skifte mellem trin I, II og III på elektronikdelen og med fjernbetjening.
DIP 2 – Indstilling af enhedens retning
OFF – Enheden vil opstarte drift med udsugning og vil udsuge luft i ventilationstilstand.
ON – Enheden vil opstarte drift med indblæsning og vil indblæse luft i ventilationstilstand.
Anvendes flere enheder anbefales det at indstille enhederne parvis. Sæt halvdelen af enhederne til ’’ON’’ og den anden halvdel til ’’OFF’’. Denne indstilling sikrer
balanceret ventilation.
Dip 3,4,5 – Indstilling af fugtsensor

Når fugtniveauet overstiger det valgte fugtniveau vil enheden skifte til forceret drift på trin III. Når fugtniveauet igen er under det indstillede niveau vil enheden returnere
til den forrige driftsindstilling.
DIP 6,7 – Indstilling af efterløb

Efterløbstid anvendes sammen med fugtsensoren. Når fugtsensoren aktiveres og den øgede ventilation sænker fugtniveauet til det valgte niveau vil enhedens efterløbstimer aktiveres på det valgte tidsinterval. Når efterløbstiden er udløbet vil enheden returnere til den forrige driftsindstilling.
DIP 8 – Nulstilling af enhed / Nulstilling af filteralarm
ON – Filter nulstilling (sættes tilbage på Standard position / Off efter 3 sekunder)
Off – Standard position / Off.
Betjening
FUNKTION | Betjening af enheden via knapper på indedelen |
Speed | Indstil hastighed trin I – II – III – standby I : Lys - Trin I er aktiv. Blink - Nat tilstand er aktiv. I og II : Lys - Trin II er aktiv. I, II og III : Lys - Trin III er aktiv. Blinker alle tre indikatorer kan det skyldes følgende: Timeren for party tilstand er aktiveret, den indbyggede fugtsensor er aktiveret eller en tilsluttet ekstern sensor er aktiveret. Ved blink i skiftevis diode I, II og III er ugeplan aktiveret for enheden. Ved sammenkobling af enheder i master/slave forhold, er hastigheden styret af master enheden. |
Varmegenvindingsfunktion | Enheden kører i varmegenvindingstilstand - 70 sekunder i indblæsningsfunktion og derefter 70 sekunder i udsugningsfunktion. |
Ventilationsfunktion | Enheden kører i ventilationstilstand - indblæsnings- eller udsugningsfunktion. Retningen afhænger af DIP-switch indstilling, se nærmere under afsnittet Indstillinger. |
Filteralarm | Filteralarmen vil lyse for hver 90. dag, når det er tid til at inspicere filtrene, hvilke enten skal renses eller skiftes. Se nærmere under afsnittet Vedligehold. Er flere enheder forbundet vil master enhedens indikator lyse konstant, mens den slave som skal tilses vil have en blinkendeindikator. Filteralarmen kan nulstilles ved at følge vejledningen under afsnittet Vedligehold. |
Alarm indikator | Indikatoren lyser eller blinker, når der opstår en fejl på enheden. Er enhederne forbundet med hinanden vil alle enhedernestoppe med at køre. Alarm indikatoren vil blinke på den defekte enhed og lyse på de andre enheder.I tilfælde hvor master enheden mister forbindelse til det valgte netværk i over 20 sekunder, vil alarm indikatoren blinke ogenheden vil gå i standby. Slaverne vil signalere manglende forbindelse til master enheden og vil opstarte automatisk, nårmaster enheden igen startes. |
Master indikator | Kun master enheden vil lyse, når flere enheder er forbundne. Slave enhederne vil ikke have lys i deres indikator.Blinker en af slave enhedernes indikator, betyder det, at der ikke er forbindelse til master enheden. |
Frontcoverets funktioner og betjeningspanel
Ved at klikke bunden, toppen eller siden ind på enhedens frontcover, kan du bestemme indblæsningsretningen.
Bemærk: Enheden er mest effektiv når den er åben til alle sider.
OBS: Skal der af sikkerhedsmæssige årsager lukkes for luftgennemstrømningen, skal hele fronten lukkes og enheden slukkes perioden.
Se mere under garantibestemmelser.

Hastighed / standby
Varmegenvindings funktion
Ventilationsfunktion
Funktion / knap
Betjening af enheden med fjernbetjening
Tænd eller standby
Tænder eller sidder enheden i standby tilstand, med mindre at funktionen er deaktiveret via DIP-switch indstillinger, se nærmere under afsnittet Indstillinger.
Hastighed
Trin III – II – I

Varmegenvinding
Enheden kører i varmegenvindingstilstand – 70 sekunder i indblæsningsfunktion og derefter 70 sekunder i udsugningsfunktion

Ventilationstilstand
Enheden kører i ventilationstilstand – indblæsnings- eller udsugningsfunktion.
Retningen afhænger af DIP-switch indstilling, se nærmere under afsnittet Indstillinger.
Festtilstand:
Aktivering af hastighedstrin III i 4 timer.
Night mode:
Aktivering af hastighedstrin I i 8 timer.
Efter endt tid vil enheden returnere til den tidligere valgte driftsindstilling.
Funktionen deaktiveres tryk på en vilkårlig knap.
Vedligehold
HUSK AT AFBRYD STRØMMEN TIL ENHEDEN INDEN DER FORETAGES VEDLIGEHOLD!
En DUKA One enhed skal tilses og have foretaget vedligehold mindst hver 3. måned. Der kan forekomme forhold, hvorunder det er nødvendigt at
tilse sin enhed oftere, ved for eksempel et støvet, beskidt eller fugtigt miljø.
Under vedligehold skal kernen tages ud. Kernen rengøres mens lyddæmper og filtrene skal rengøres eller skiftes.
1 – Demonter front coveret

2 – Demonter kabelsko
Demonter forsigtigt kabelskoen fra elektronikdelen. Brug en flad skruetrækker til at løfte kabelskoen fri fra kabelmuffen. Træk ikke i ledningerne.

3 – Fjern kerne og lyddæmper fra røret

4 – Rengør filtre, kerne og lyddæmper
Filtre
Filtrene tilses mindst hver 3. måned, hvor de skal renses eller udskiftes afhængigt af stand. Mindst 1 gang om året skal filtrene udskiftes med nye
originale filtre fra DUKA Ventilation. Det kan forekomme, at enheden er installeret i et miljø, hvor der kræves et kortere interval imellem vedligehold
end de minimumsforeskrevne 3 måneder. Dette kan for eksempel være i et støvet, beskidt eller fugtigt miljø.
Ved installationer, hvor der er risiko for skimmelsvamp, skal enheden rengøres særligt grundigt, så støv og eventuelle svampesporer fjernes helt. Det
kan være nødvendigt at anvende specielt rensemiddel. Undlades dette vil garantien bortfalde på produktet.
Alt afhængigt af hvor tilstoppede eller slidte filtrene er kan disse vaskes
eller støvsuges, dog maksimalt 3 gange.
Lad filtrene tørre inden de igen monteres i enheden.
Nulstilling af filteralarmen sker ved flytte DIP switch 8 i ON position i
mindst 3 sekunder og derefter til OFF.
Kerne
Organiske partikler fra enhedens omgivelser kan aflejres i den keramiske
kerne eller på ventilatoren, det er derfor vigtigt også at rengøre disse dele.
Dette gøres nemmest ved brug af støvsuger eller med trykluft. Ved brug af
trykluft skal ventilatoren fikseres så den ikke roterer ukontrolleret.
Lyddæmper
Lyddæmperen skal rengøres ved enten at støvsuge eller vaske den
forsigtigt. Lad lyddæmperen tørre inden den igen monteres i enheden.
Rørføring
Rengør rørføringen med en fugtig klud og mildt rengøringsmiddel.
Her kan DUKA Clean anvendes.
Lad rørføringen tørre inden kerne, motor og lyddæmper monteres igen.
Fjernbetjening
Efter længere tids drift kan det være nødvendigt at skifte batteriet i fjernbetjeningen.
Træk batteriskuffen ud af fjernbetjeningen for at skifte batteriet og indsætte det nye
batteri.
Batteritype: CR 2025
Fejl og problemløsning
PROBLEM
MULIGE FEJL
FEJL AFHJÆLPNING
Enheden starter ikke
Strømmen er ikke tilsluttet
Motoren er blokeret, eller ventilatoren møder
modstand
Tjek at der er tilsluttet strøm til enheden og at der er tændt for
kontakten. Alternativt sikre at enheden ikke er tilsluttet forkert
Sluk enheden
• Tilse om der er motoren er blokeret
• Rens ventilator bladene. Tænd enheden
Automatisk afbryder slår til
Kortslutning af det elektriske netværk
• Sluk for enheden
• Kontakt forhandler
Lav temperatur på indblæsningsluft
Filtrene er tilstoppede
Den keramiske kerne er tiliset
Rens eller udskift filtre
Kontroller den keramiske kerne for tilisning
• Sluk for enheden, tag kernen ud og lad isen smelte.
Lav temperatur på indblæsningsluft
Filtrene er tilstoppede
Den keramiske kerne er tiliset
Rens eller udskift filtre
Kontroller den keramiske kerne for tilisning
• Sluk for enheden, tag kernen ud og lad isen smelte.
Lav luft gennemstrømning
Enheden står på laveste trin
Filtre, ventilator eller den keramiske kerne er
tilstoppet
Vælg højere hastighedstrin
• Rens eller skift filtre
• Rens ventilator og keramisk kerne
Højt lydniveau eller vibrationer
Ventilatoren er tilsmudset
Løse skruer
Rens ventilator
Efterspænd skruer
Knappen for filteralarm lyser stadig
efter filterrens/skift
Nulstilling af filteralarm er ikke foretaget iht.
vejledningen.
Se afsnittet Vedligehold
Enheden kører på fuld styrke, alle
hastighedsdioder blinker og reagerer
ikke på eksterne signaler
Fugtstyringen i DUKA One enheden er slået til og
aktiveret
Sluk for DUKA One og indstil fugtniveauet eller slå det fra via DIP
switch indstillinger. Se afsnit Indstillinger.





